产品中心

致力于通过创新技术、卓越的质量和专业的服务
为客户提供最优质的微型电动机解决方案,赢得客户的信任和满意

创新微动 驱动未来

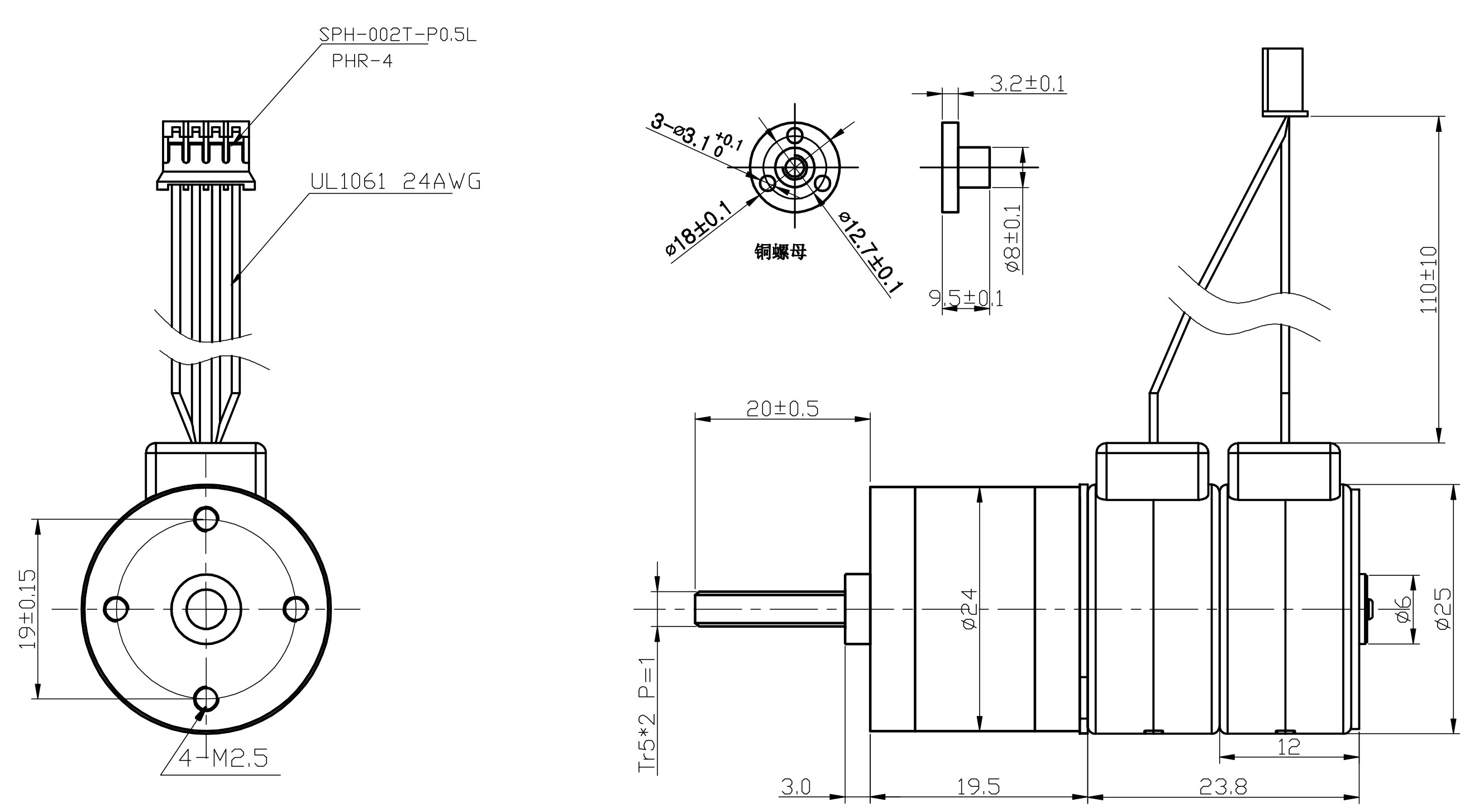
25BY26101步进电机+双层

品牌:科辰微电(KC)

型号:25BY26101

产品类型:永磁式步进电机

步进角:15(°)

外形尺寸:φ25.00*23.80(mm)

额定功率:3.59(W)

额定电阻:16(Ω)

额定电压:12.0 ~ 24.0(V)   

额定电流:300.00 ~ 1150.00(mA)

额定扭矩:90.00 ~ 780.00(gf.cm)

额定温度:-10 ~ 50 (℃)

配件:双层设计

产品认证:ROHS、CE

温馨提示:本产品参数可根据客户需求做改动,产品的参数不同,价格也不同,以上产品的属性和价格仅供参考,咨询具体价格详情欢迎在下方留言或来电咨询,谢谢!!

主要应用

工业自动化/家用电器/健身器材/微型打印机/照片打印机/医疗器械/其他

外观尺寸图

性能参数表

应用领域

常见问题

Q:马达定制流程


A:客户提供马达参数或样品,如没有样品,请提供以下马达主要参数有:

      1.驱动马达:提供马达外形尺寸、引线要求、工作电压、空载转速、空载电流、负载、堵转电流。

      2.振动马达:提供马达外形尺寸、引线要求,工作电压、转速、电流、偏心轮尺寸

B:常规款交期是5-20天,定制款交期是20-30天(特殊款除外)。全检出货。发快递、物流或送货。

C:客户在收到我们的马达后,请反馈马达是否达到要求,如有其他需求或改进,请与我们联系,我们再根据情况进行修改。


Q:订单有起订量要求么?


A:最小起订量1000台,样品通过测试后,前期可接受小批量生产。


Q:电机轴是否可以定制?


A:对于轴长和形状(滚花,扁位轴,钻孔,螺纹轴等),可以进行定制。

留言定制

* 感谢您对公司的信任,请根据下方提示填写您的真实信息,以便我们更好地为您服务!

推荐产品

返回顶部

Copyright © 2017-2024 深圳市科辰微电科技有限公司 版权所有   备案号:粤ICP备19149929号

咨询

18129958317

电话

18025368896

邮箱

sales-a@kechenmotor.com

TOP